1.建经教育企业人才培养工程实施领导小组审定。
2.基础理论+最新标准,是您快捷掌握行业前沿的必备教材。常用公式+标准图例,是您快速实践钢筋工程的不二选择。
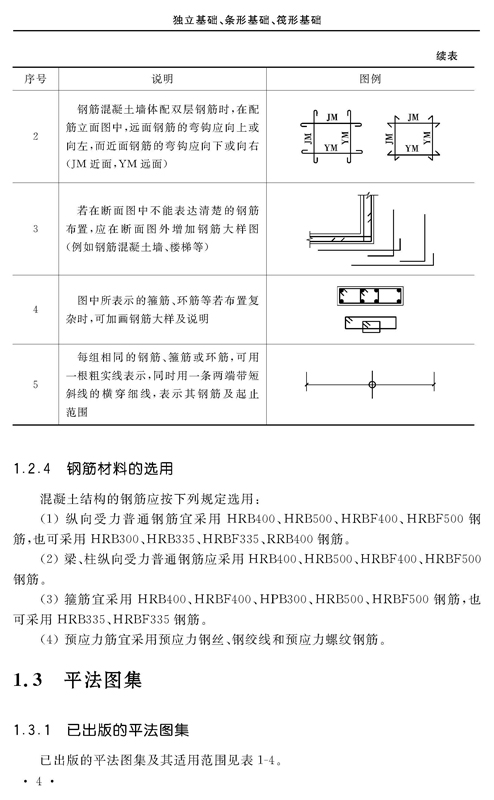
3.图文并茂,简单明了,图算结合,快学快会。
4.新旧图集对照,差异罗列清晰,阅读方便,一目了然。
编辑推荐
图书简介
本书以《11G101-1》、《11G101-2》、《11G101-3》三本最新图集及《混凝土结构设计规范》(GB 50010-2010)为主要理论依据,主要内容包括基础知识、钢筋精 识快算基础知识、独立基础精识快算、条形基础精识快算、筏形基础精识快算以及 新旧图集对照六大部分内容,以平法制图规则为基础,结合具体的钢筋构造识图, 通过计算实例详细讲解了独立基础、条形基础、筏形基础构件的各类钢筋在实际工 程中的计算要点。
本书可供设计人员、施工技术人员、工程造价人员以及相关专业大中专的师生学习参考。
本书可供设计人员、施工技术人员、工程造价人员以及相关专业大中专的师生学习参考。
图书目录
1 基础知识
1.1 平法基础知识
1.2钢筋基础知识
1.3平法图集
2钢筋精识快算基础知识
2.1 混凝土结构环境类别
2.2 受力钢筋的混凝土保护层厚度
2.3 钢筋的锚固
2.4 钢筋的连接
2.5钢筋弯曲调整值与下料长度计算
2.6 箍筋及拉筋构造
2.7钢筋计算常用数据
3独立基础精识快算
3.1独立基础平法识图
3.2独立基础钢筋快算
4条形基础精识快算
4.1条形基础平法识图
4.2条形基础钢筋快算
5筏形基础精识快算
5.1梁板式筏形基础平法识图
5.2平板式筏形基础平法识图
5.3筏形基础钢筋快算
6 新旧图集对照
6.1独立基础
6.2条形基础
6.3筏形基础
附录1 普通钢筋、预应力筋的强度标准值、设计值和弹性模量
附录2 混凝土轴心抗拉强度设计值
参考文献
1.1 平法基础知识
1.2钢筋基础知识
1.3平法图集
2钢筋精识快算基础知识
2.1 混凝土结构环境类别
2.2 受力钢筋的混凝土保护层厚度
2.3 钢筋的锚固
2.4 钢筋的连接
2.5钢筋弯曲调整值与下料长度计算
2.6 箍筋及拉筋构造
2.7钢筋计算常用数据
3独立基础精识快算
3.1独立基础平法识图
3.2独立基础钢筋快算
4条形基础精识快算
4.1条形基础平法识图
4.2条形基础钢筋快算
5筏形基础精识快算
5.1梁板式筏形基础平法识图
5.2平板式筏形基础平法识图
5.3筏形基础钢筋快算
6 新旧图集对照
6.1独立基础
6.2条形基础
6.3筏形基础
附录1 普通钢筋、预应力筋的强度标准值、设计值和弹性模量
附录2 混凝土轴心抗拉强度设计值
参考文献






