医院建筑设计从哪里入手?医疗功能房间怎样设计才更实用舒适?
医疗功能房间详图集Ⅱ重磅来袭,全新的展现方式、详细的医疗房间解析和更完备的设计图稿,给你“意料之中”的惊喜......
满足你想要的医院设计干货,也力求给你更好、更专业的设计参考!
•汇集六大类医疗行为房间的平面布局图、三维示意图、建筑要求、装备清单和机电要求等,完善医院功能房间专业设计详图
•创新医院工艺设计理念,全新解读医疗功能需求,深入分析医疗行为特点,把握医院工艺设计的整体流程
•兼具专业性和实用性,对当前医院工艺设计的目的、优势、发展方向及设计方法进行分析和解答•“攻略型”的设计说明和“图景式”的平面图和三维图,不只让你学习参考,更能拿来就用,轻松上手
编辑推荐
图书简介
本书主要是对医院中的各医疗功能房间如急诊室、门诊室、病房等通过平面布局图、三维示意图及具体的设计指标进行详细的展示和介绍。
全书共分为三章,从医疗工艺设计的发展研究入手,涵盖六大类医疗行为房间的平面布局图、三维示意图、建筑要求、装备清单和机电要求,全面而系统地介绍了医疗工艺设计的目的、优势、发展方向和基本方法,重点阐释了医疗行为理念及医疗功能房间详图解析,使医院在建设前期乃至全过程中,医护人员、设计师等全体参建人员都能看懂,构建建筑与医疗领域的沟通“桥梁”。
全书共分为三章,从医疗工艺设计的发展研究入手,涵盖六大类医疗行为房间的平面布局图、三维示意图、建筑要求、装备清单和机电要求,全面而系统地介绍了医疗工艺设计的目的、优势、发展方向和基本方法,重点阐释了医疗行为理念及医疗功能房间详图解析,使医院在建设前期乃至全过程中,医护人员、设计师等全体参建人员都能看懂,构建建筑与医疗领域的沟通“桥梁”。
图书目录
第一章 系统化医院工艺设计 1
一、医院工艺设计目的 1
1. 项目医疗策划 1
2. 建筑设计任务 2
3. 造价指标估算 2
4. 医院规划辅助系统 2
二、应用医院工艺设计三大优势 2
1. 少走弯路,提高整体项目控制能力 2
2. 增进沟通,节约方案设计阶段时间 2
3. 减少拆改,降低施工过程中的变更洽商 3
三、医院工艺设计的发展方向 3
1. 医疗设备、家具数据化 3
2. 功能房间内涵标准化 4
3. 功能单位组合程序化 4
4. 功能系统个性化 4
四、工艺方案设计基本方法 4
1. 工艺方案成果链 5
2. 建筑概念设计方案评审系统 5
3. 空间标准与标准层设计 6
4. 一级流程设计标准与方法 7
5. 二级流程设计标准与方法 8
第二章 医疗功能房间设计说明 10
一、医疗行为基本理念 10
二、医疗功能房间详图使用说明 11
1. 总体说明 11
2. 关于柱网 11
3. 尺寸及单位 11
4. 关于表达 12
5. 附录部分 12
第三章 医疗功能房间详图 13
1. 标准诊室(预约式) 14
2. 急诊诊室(双入口) 17
3. 体检诊室 20
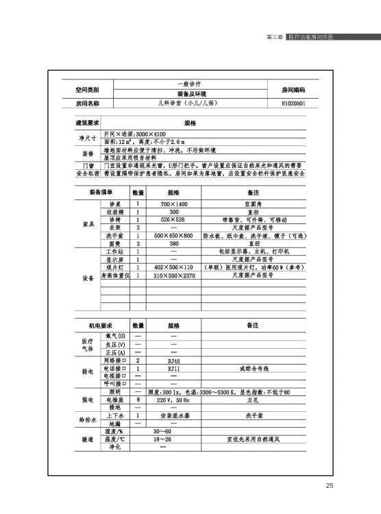
4. 儿科诊室(小儿 / 儿保) 23
5. 单人病房(卫生间外置) 26
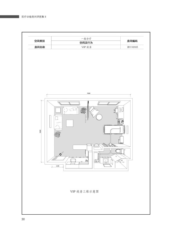
6. VIP 病房 29
7. 产科病房(单人) 32
8. 核素病房(双人) 35
9. 感染病房(双人) 38
10. 心肺复苏室 41
11. 取精室 44
12. 骨髓穿刺室 47
13. 采血室 50
14. 自采血室 53
15. 新生儿处置室 56
16. 眼科治疗室 59
17. 盆底治疗室 62
18. 日间化疗室 65
19. ICU 单间 68
20. 监护岛型 ICU 单间 71
21. 产科分娩室 74
22. C-LDR 产房 77
23. 水中分娩室 80
24. 标准手术室 83
25. 骨科手术室 85
26. 眼科激光手术室 87
27. 生殖取卵室 90
28. 碎石室 93
29. 运动平板室 96
30. 胃肠动力检测室 99
31. 睡眠监测室 102
32. 动脉硬化检查室 105
33. 亚健康检查室 108
34. 过敏原检测治疗室 111
35. 热成像检查室 114
36. 红外乳透室 117
37. 尿动力检查室 120
38. 肠镜检查室 123
39. 超声内镜检查室 126
40. 视野检查室 129
41. 眼底照相室 132
42. 角膜地形图室 135
43. 儿童视力筛查室 138
44. 胃镜检查室 141
45. 支气管镜检查室 144
46. 喉镜室 147
47. 经颅多普勒检查室 150
48. 超声检查室 153
49. 眼科 AB 超检查室 156
50. 空气加压氧舱 159
51. 光疗室 161
52. 蜡疗室 164
53. 肌电图检查室 167
54. 中药煎药室 170
55. MRI 室 173
56. 脑磁图室 177
57. 血管造影 DSA 室 180
58. 直线加速器室(15M) 184
59. X 线模拟定位室 187
60. PET-CT 室 189
61. 骨密度检查室 191
62. 口腔科诊室 194
63. 倾斜试验室 197
64. 口腔清洗消毒室 200
65. 亚低温治疗病房 203
66. 临检室 206
67. 荧光免疫室 209
68. 酶标仪室 212
69. 真菌实验室 215
70. 寄生虫实验室 218
71. 流式细胞室 221
72. IVF 培养室 224
73. 病理取材室 227
74. 脱水包埋室 230
75. 冰冻切片室 233
76. 病理诊断室 236
77. 解剖间 239
78. 中草药配剂室 241
79. 消毒供应中心分类清洗消毒室 244
80. 消毒供应中心打包灭菌室 247
81. 消毒供应中心无菌存放间 250
82. 消毒配奶间 253
83. 医护值班室 256
84. 远程会诊室 259
85. 模拟教学室(急救) 262
86. 无性别卫生间 265
87. 医疗废物处理间 268
88. 保洁室 271
89. 医疗垃圾暂存间 274
90. 分层收费挂号室 276
91. 出入院手续室 279
92. 住院药房 282
93. 体液标本接收室 285
94. 视频探视室 288
95. 病房库房 291
96. 病案库 294
97. 试剂存储室 297
98. 停尸间 300
99. 胚胎冷冻室 303
100. 告别室 306
附录一 医疗功能房间详图设计及应用的10 个重要问题 308
1. 定义 308
2. 医疗功能房间详图设计同医院工艺设计系统的关系 308
3. 医疗功能房间详图设计同医院建筑设计的关系 308
4. 适用范围 308
5. 服务范围 308
6. 设计方法 308
7. 依据 308
8. 表达 308
9. 步骤 308
10. 分类及编码 308
附录二 主要参考书目及规范 309
一、医院工艺设计目的 1
1. 项目医疗策划 1
2. 建筑设计任务 2
3. 造价指标估算 2
4. 医院规划辅助系统 2
二、应用医院工艺设计三大优势 2
1. 少走弯路,提高整体项目控制能力 2
2. 增进沟通,节约方案设计阶段时间 2
3. 减少拆改,降低施工过程中的变更洽商 3
三、医院工艺设计的发展方向 3
1. 医疗设备、家具数据化 3
2. 功能房间内涵标准化 4
3. 功能单位组合程序化 4
4. 功能系统个性化 4
四、工艺方案设计基本方法 4
1. 工艺方案成果链 5
2. 建筑概念设计方案评审系统 5
3. 空间标准与标准层设计 6
4. 一级流程设计标准与方法 7
5. 二级流程设计标准与方法 8
第二章 医疗功能房间设计说明 10
一、医疗行为基本理念 10
二、医疗功能房间详图使用说明 11
1. 总体说明 11
2. 关于柱网 11
3. 尺寸及单位 11
4. 关于表达 12
5. 附录部分 12
第三章 医疗功能房间详图 13
1. 标准诊室(预约式) 14
2. 急诊诊室(双入口) 17
3. 体检诊室 20
4. 儿科诊室(小儿 / 儿保) 23
5. 单人病房(卫生间外置) 26
6. VIP 病房 29
7. 产科病房(单人) 32
8. 核素病房(双人) 35
9. 感染病房(双人) 38
10. 心肺复苏室 41
11. 取精室 44
12. 骨髓穿刺室 47
13. 采血室 50
14. 自采血室 53
15. 新生儿处置室 56
16. 眼科治疗室 59
17. 盆底治疗室 62
18. 日间化疗室 65
19. ICU 单间 68
20. 监护岛型 ICU 单间 71
21. 产科分娩室 74
22. C-LDR 产房 77
23. 水中分娩室 80
24. 标准手术室 83
25. 骨科手术室 85
26. 眼科激光手术室 87
27. 生殖取卵室 90
28. 碎石室 93
29. 运动平板室 96
30. 胃肠动力检测室 99
31. 睡眠监测室 102
32. 动脉硬化检查室 105
33. 亚健康检查室 108
34. 过敏原检测治疗室 111
35. 热成像检查室 114
36. 红外乳透室 117
37. 尿动力检查室 120
38. 肠镜检查室 123
39. 超声内镜检查室 126
40. 视野检查室 129
41. 眼底照相室 132
42. 角膜地形图室 135
43. 儿童视力筛查室 138
44. 胃镜检查室 141
45. 支气管镜检查室 144
46. 喉镜室 147
47. 经颅多普勒检查室 150
48. 超声检查室 153
49. 眼科 AB 超检查室 156
50. 空气加压氧舱 159
51. 光疗室 161
52. 蜡疗室 164
53. 肌电图检查室 167
54. 中药煎药室 170
55. MRI 室 173
56. 脑磁图室 177
57. 血管造影 DSA 室 180
58. 直线加速器室(15M) 184
59. X 线模拟定位室 187
60. PET-CT 室 189
61. 骨密度检查室 191
62. 口腔科诊室 194
63. 倾斜试验室 197
64. 口腔清洗消毒室 200
65. 亚低温治疗病房 203
66. 临检室 206
67. 荧光免疫室 209
68. 酶标仪室 212
69. 真菌实验室 215
70. 寄生虫实验室 218
71. 流式细胞室 221
72. IVF 培养室 224
73. 病理取材室 227
74. 脱水包埋室 230
75. 冰冻切片室 233
76. 病理诊断室 236
77. 解剖间 239
78. 中草药配剂室 241
79. 消毒供应中心分类清洗消毒室 244
80. 消毒供应中心打包灭菌室 247
81. 消毒供应中心无菌存放间 250
82. 消毒配奶间 253
83. 医护值班室 256
84. 远程会诊室 259
85. 模拟教学室(急救) 262
86. 无性别卫生间 265
87. 医疗废物处理间 268
88. 保洁室 271
89. 医疗垃圾暂存间 274
90. 分层收费挂号室 276
91. 出入院手续室 279
92. 住院药房 282
93. 体液标本接收室 285
94. 视频探视室 288
95. 病房库房 291
96. 病案库 294
97. 试剂存储室 297
98. 停尸间 300
99. 胚胎冷冻室 303
100. 告别室 306
附录一 医疗功能房间详图设计及应用的10 个重要问题 308
1. 定义 308
2. 医疗功能房间详图设计同医院工艺设计系统的关系 308
3. 医疗功能房间详图设计同医院建筑设计的关系 308
4. 适用范围 308
5. 服务范围 308
6. 设计方法 308
7. 依据 308
8. 表达 308
9. 步骤 308
10. 分类及编码 308
附录二 主要参考书目及规范 309












